

中紅外總酸傳感器,用于發動機潤滑油或其他工業流體的在線監測。 紅外光譜是一種測量有機分子濃度的強大技術。樣品中所含分子結構具有吸收紅外光的物理效應。不同分子吸收特定波長的光,可以用來定性分析。吸收光的強度則可以用來對特定分子的含量進行定量分析。
技術優勢:
中紅外總酸傳感器采用基于紅外光譜透射原理的無移動部件設計,結構堅固,耐用性高,幾乎免維護。傳感器內置測量模型(化學計量模型),在測試樣品時,可直接輸出目標參數的測量結果,實現快速、穩定的測量。
l 傳感器測量指標:
|
測量指標 |
測量范圍 |
測量精度 |
|
水分 |
0~10000ppm |
±3% |
|
TAN |
0~4.0mg KOH/g |
±3% |
|
溫度 |
0~70℃ |
±0.5℃ |
l 傳感器技術指標:
|
技術指標 |
參數 |
|
數字輸出 |
USB/CAN |
|
工作電壓 |
DC 24V±10% |
|
工作電流 |
<300mA(DC24V) |
|
工作溫度 |
0~70℃ |
|
流體溫度 |
0~70℃ |
|
存儲溫度 |
0~70℃ |
|
允許油壓 |
≤1MPa |
|
流量范圍 |
0.1~1 L/min或0.1~0.3m/s |
|
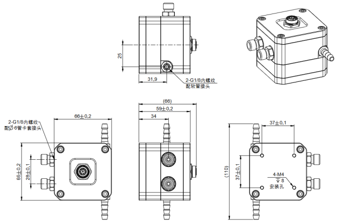
進出油口 |
G1/8" |
|
防護等級 |
IP66 |
|
外殼材質 |
316不銹鋼 |
|
電氣接口 |
M12*1 ,8芯航插 |
|
連接電纜 |
8(芯)*2米,24AWG |
|
重量 |
1100g±10g |
|
尺寸 |
66*66*66mm |
|
適用油品 |
常用礦物質油、合成和半合成潤滑油、液壓油、齒輪油等。 |

產品應用:
食品加工、實驗室分析、燃油存儲與運輸環節;精煉、石油行業、風力、火力發電等發電行業;航空,航海,鐵路等交通運輸行業 ;鉆井平臺等海洋工程、大型工程機械設備、交通運輸車輛、燃料儲運車輛、油處理設備、化學實驗分析、生產過程品質管理、油處理及過濾系統;涂料、油墨及印刷行業、醫用設等。

l 傳感器測量指標:
|
測量指標 |
測量范圍 |
測量精度 |
|
水分 |
0~10000ppm |
±3% |
|
TAN |
0~4.0mg KOH/g |
±3% |
|
溫度 |
0~70℃ |
±0.5℃ |
l 傳感器技術指標:
|
技術指標 |
參數 |
|
數字輸出 |
USB/CAN |
|
工作電壓 |
DC 24V±10% |
|
工作電流 |
<300mA(DC24V) |
|
工作溫度 |
0~70℃ |
|
流體溫度 |
0~70℃ |
|
存儲溫度 |
0~70℃ |
|
允許油壓 |
≤1MPa |
|
流量范圍 |
0.1~1 L/min或0.1~0.3m/s |
|
進出油口 |
G1/8" |
|
防護等級 |
IP66 |
|
外殼材質 |
316不銹鋼 |
|
電氣接口 |
M12*1 ,8芯航插 |
|
連接電纜 |
8(芯)*2米,24AWG |
|
重量 |
1100g±10g |
|
尺寸 |
66*66*66mm |
|
適用油品 |
常用礦物質油、合成和半合成潤滑油、液壓油、齒輪油等。 |